Pendahuluan
Sistem penyejukan enjin iaitu sistem sokongan bagi menyelenggara suhu kendalian enjin agar mencukupi pada sebarang kendalian dan pacuan. Apabila kuasa dihasilkan oleh proses dinamik haba dalam enjin , sebahagian besar haba juga turut dihasilkan. Sebahagian haba tadi diperlukan untuk mengendali enjin dengan sempurna dan yang selebihnya dilesapkan ke atmosfrera .
Tujuan sistem penyejukan enjin :
1.Menyelenggara enjin pada suhu kendalian terbaik.
2.Memindahkan haba yang tidak diperlukan.
3.Mengekalkan suhu kendalian enjin.
4.Memastikan Suhu bahagian-bahagian bergerak pada enjin tidak meningkat kepada suhu yang boleh menjejaskan keberkesanan minyak pelincir.
Terdapat 2 kaedah sistem penyejukan dalam enjin automotif iaitu :
1.SISTEM PENYEJUKAN CECAIR.
Mengunakan cecair sebagai media utama penyejukan.
a. Komponen Utama Sistem Penyejukan Cecair
i. Tangki Air (Radiator)
Digunakan untuk menampung air panas dari enjin supaya dapat disejukkan dan dibekalkan semula ke enjin. Air yang melalui jaket air di enjin perlu disejukkan sebelum beredar semula.Sistem ini dilaksanakan dengan mendedahkan penyejukan ke udara dengan permukaan yang luas.Radiator biasanya digegaskan di hadapan atau di belakang kenderaan.Satu alur masuk pada tangki atas, menerima bahan penyejuk panas dari enjin.Satu paip limpahan membuang sisa penyajukan dan wap.
Tangki bawah mempunyai satu alur keluar untuk bahan penyejuk mengalir balik ke enjin.Ia juga mempunyai plug untuk membuang bahan penyejuk.Radiator mempunyai teras yang direncam dengan banyak saluran yang boleh mengalirkan air dari tangki atas ke tangki bawah.Air panas mengalir dari enjin, disejukkan oleh udara yang dihembus melalui radiator oleh kipas atau rempuhan udara melalui jerjak kenderaan ketika kenderaan bergerak.
Teras terdiri daripada banyak tiub yang dipasangkan ke sirip.Air disejukkan apabila melalui tiub dan haba dibebaskan ke udara melalui kawasan luas sirip.Terdapat dua jenis sirip radiator haba :
a.Jenis Sirip Plat Rata.
Jenis sirip plat rata ditunjukkan dalam rajah, terdiri daripada tiub tembaga berbentuk bujur yang mempunyai kawasan permukaan penyejukan luas.Ia disusun tegak dan dipateri sekata ke sirip plat rata.
b.Jenis Sirip Berombak.
Bentuk ini memberikan satu kawasan permukaan yang luas,mengurangkan berat dan mudah untuk menyilang berbanding dengan jenis sirip plat.
Radiator juga boleh dikelaskan mengikut aliran air.
i. Air mengalir dari atas ke bawah.(jenis aliran bawah)
ii.Air mengalir mendatar dari tangki dan masuk di satu sisi ke tangki lain di satu sisian(jenis aliran melintang)
ii. Tudung Tekanan (Pressure Cap)
Tudung tekanan menghalang penyajuk mendidih walaupun pada suhu 100 C. Apabila penyejuk menjadi lebih panas,perbezaan suhu di antara penyejuk dan atmosfera menjadi lebih besar. Penyejuk masih berkesan walaupun menggunakan raadiator yang kecil. Tudung radiator bertekanan ( dalam rajah ) mempunyai injap pelaras tekanan dan injap vakum, dengan itu jika tekanan cecair dipanaskan di dalam sistem penyejukan melebihi 1.9 kg/cm2 wap memaksa injap larasan tekanan terbuka dan membebaskannya ke udara atau atmosfera dari paip limpah.
Akibatnya, bila suhu penyejukan berkurangan dan tekanan tangki berkurangan daripada tekanan atmosfera, injap vakum terbuka bagi membenarkan udara dari luar masuk. Dalam aliran ini , sistem penyajukan dalaman diselenggara pada 1.0-1.9 kg/cm2. Membenarkan air mengalir ke tangki simpanan apabila tekanan melebihi 15 psi. Mengurangkan kadar pemeluwapan air pada tekanan udara yang tinggi supaya Pam Air berfungsi dengan baik.Melindungi Hos Radiator dan mengelakkan berlakunya pusuan air
iii. Tangki Takungan ( Reserve Tank )
Apabila isipadu cecair mengembang oleh suhu yang bertambah menyebabkan limpahan dialirkan ke tangki takungan. Apabila suhu menurun, cecair dalam tangki balik ke radiator. Ini mencegah buangan yang tidak diperlukan dan kehilangan cecair.
iv. Hos Bawah (Lower Hose)
Menghubungkan tangki bawah Radiator ke Pam AirWater Pump).
v. Hos Atas (Upper Hose)
Menghubungkan tangki atas Radiator ke Enjin
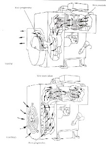
vi. Kipas Radiator (Radiator Fan)
Kipas enjin biasanya digegaskan di atas pam pendesak dan dipacu oleh tali sawat. Tujuan kipas ialah untuk mngalirkan lebih udara melalui radiator. Kipas akan menarik udara dari hadapan enjin ke belakang ke arah Radiator bagi menyejukkan cecair didalam Tangki Air(Radiator).
Terdapat dua jenis kipas iaitu kipas insani dan elektrik.
i.Kipas insani dipacu terus oleh talisawat dan digegaskan di hadapan enjin.
ii.Kipas elektrik pula dipacu oleh tenaga elektrik apabila suhu enjin melebihi suhu kendalian.Kipas ini digegaskan di belakang radiator dan memerlukan satu motor kecil yang digerakkan secara elektrik.
vii. Pam Air (Water Pump)
Pam empar atau pam desak biasanya digunakan untuk mengedarkan air. Ia dipasangkan pada hadapan bongkah enjin dan dipacu oleh tali sawat berbentuk V dari kapi aci engkol. Air di pam ke seluruh Sistem Penyejukan bagi memindahkan haba yang berlebihan.
viii. Laras Suhu (Thermostat)
Larassuhu digegaskan dalam saluran air diantara kepala silinder dengan bahagian atas radiator( dalam rajah ). Larasuhu berfungsi menyediakan kawalan suhu malar iaitu dengan menyekat edaran air supaya suhu kendalian dapat dicapai dengan lebih cepat. Suhu kendalian yang baik ialah antara 80 C – 90 C. Ia adalah penting untuk dicapai selepas enjin dihidupkan dan untuk menyelenggara semasa kendalian.
Larasuhu ialah satu injap automatik yang pengendaliannya bergantung kepada suhu. Apabila suhu penyejukan rendah , injap tertutup dan penyejuk tidak boleh beredar mengelilingi enjin. Apabila penyejuk menjadi panas, injap terbuka ( mencapai suhu kendalian enjin ) dan bahan penyejuk mengalir ke radiator( dalam rajah . Terdapat berbagai-bagai jenis larasuhu yang biasa digunakan iaitu jenis belosdan jenis lilin.
- Jenis lilin adalah yang paling popular dewasa ini. Selain daripada itu terdapat dua lagi larasuhu iaitu jenis sarung dan jenis kupu-kupu( dalam rajah ).
ix. Penderia Radiator Fan(Radiator Fan Sensor)
Berindak sebagai suis kepada kipas radiator. Sensor ini akan berfungsi bila cecair telah mencapai suhu kendalian tertentu dan akan menhidupkan kipas radiator. Akan 'off' bila suhu cecair mencapai suhu kendalian yang minimum.
x. Penunjuk Suhu
Penunjuk memberi amaran kepada pemandu jika terdapat keadaan luar biasa yang terjadi dalam sistem penyejukan. Terdapat tiga jenis penunjuk iaitu jenis tekanan wap , elektrik dan penunjuk lampu.
1. Tekanan wap
Penunjuk jenis ini terdiri daripada satu bulb penunjuk dan satu tiub penghubung bulb ke unit penunjuk. Unit penunjuk terdiri daripada satu lengkok atau tiub Bourdon, satu dirangkaikan ke jarum penunjuk , yang satu lagi hujungnya terbuka dan dihubungkan ke satu tiub dan bulb. Bulb penunjuk biasanya dipasangkan ke jaket air di enjin, diisikan dengan cecair mudah sejat pada suhu rendah. Apabila suhu enjin bertambah, cecair dalam bulb mula tersejat, mewujudkan tekanan yang dihantar melalui tiub ke tiub Bourdon dalam unit penunjuk . Tekanan cendeerung untuk meluruskan tiub lengkok menyebabkan jarum penunjuk bergerak di atas tolok dan menunjukkan suhu dalam jaket air.
2. Penunjuk elektrik
Penunjuk elektrik dikendali dengan dua cara ;
i.jenis gelung imbangan
ii.jenis larasuhu dwilogam.
i. Penunjuk Jenis gelungan imbangan ( dalam raajah ) terdiri daripada dua unit iaitu unit pemuka dan unit enjin.Unit enjin menukar rintangan dengan kesan suhu, dengan cara lebih arus mengalir kurang rintangan dengan kesan suhu, dengan cara lebih arus mengalir kurang rintangan dan penunjuk menunjuk ke arah suhu tinggi.
ii. Penunjuk jenis larasuhu dwilogam, asas pergreakan sama dengan sistem penunjuk dalam sistem bahan api.
3. Penunjuk lampu
Sistem penunjuk lampu seperti tertera dalam rajah dibawah, mempunyai satu unit penghantar suhu air yang dicagakkan ke enjin dan terdedah kepada air di sistem penyejukan. Unit penghantaran disambungkan kepada dua lampu dan bateri melalui suis penyalaan. Apabila enjin sejuk,unit hantaran dihubungkan ke lampu sejuk, apabila suhu telah mencapai suhu kendalian iaitu 80 C – 90 C, lampu sejuk padam. Jika enjin mengalami panas lampau, larasuhu dalam unit penghanta suhu meleding ke tamatan panas dan lampu merah menyala. Ia dapat menunjukkan kepada pemandu, enjin telah mengalami panas lampau.
Asas Kendalian Sistem Penyejukan Cecair.
Sistem penyejukan air menggunakan air sebagai bahan yang dikendali oleh pam air untuk menyelenggara edaran di dalam sistem.Pam air mengedarkan penyejukan melalui saluran penyejuk di dalam enjin kemudian melalui radiator, di mana bahan penyejuk disejukkan.Apabila enjin sejuk, larassuhu tertutup, menyekat penyejukan mengalir melalui radiator.Sebab itu enjin cepat dipanaskan.
Satu hos pirau digunakan untuk mengedarkan penyejukan semasa larassuhu tertutup.Larassuhu terbuka apabila penyejukan mencapai suhu kendalian enjin dan penyejukan mengalir melalui radiator untuk membebaskan haba ke udara.Kipas digunakan untuk menambah aliran udara melalui radiator. Bahan penyejuk khas dibuat daripada etilena glikol dan air pada kaadar 50% tiap-tiap satu.
Walaubagaimanapun bagi enjin pacuan hadapan,kepala silinder aluminium dan radiator kecil, suhu kendalian penyejukan lebih tinggi.Untuk memperbaiki , nisbah etilena glikol dengan air boleh ditukar ( biasanya 60% etilena glikol, 40% campuran air) dan satu tudung tekanan tinggi dipasangkan 16-18 psi ( 110-124 kPa ).Ini menaikkan takat didih penyejukan, mengurangkan panas lampau.Rajah menunjukkan binaan dan kendalian sistem penyejukan.
2.SISTEM PENYEJUKAN UDARA.
Sistem penyejukan udara biasanya digunakan dalam enjin-enjin kecil, satu dan dua silinder seperti motosikal dan enjin pemotong rumput.Bongkah silinder biasanya dilengkapkan dengan sirip logam yang memberikan satu permukaan penyejukan yang luas.Ia mengalirkan haba daripada silinder.Bagi enjin besar yang menggunakan udara, satu selubung logam digunakan bagi mengarahkan aliran udara ke sekitaran silinder untuk meningkatkan penyejukan.
Asas Kendalian Penyejukan Udara.
Udara panas daripada pepejal dan logam dinyahkan ke atmosfera. Sementara udara sejuk menggantikan udara panas yang dinyahkan. Satu pendesak diletakkan dalam selubung logam untuk meniupkan udara melalui sirip-sirip udara dan haba dinyahkan ke atmosfera.















